产品概述
MCQ系列交流电动机软起动器是采用电力电子技术、微处理器技术及现代控制理论技术完美结合的产品。该产品跟踪技术的最新发展,采用先进的微处理器为核心,控制大功率晶闸管组件,实现了三相异步电动机软启动控制功能,从根本上改变了传统的降压启动器在启动时产生的电压、电流突变带来的不良后果,是传统的星/三角、自耦降压等降压起动方式的理想换代产品。
应用领域
适用于水利、煤炭、有色、冶金、石化、造船、通讯、汽车、市政、新能源、新材料等多个领域三相交流50Hz,额定电压为660V以下,额定功率为7.5kW-500kW各种鼠笼型交流异步电动机的软起动、无功功率就地补偿及主回路控制等。
典型应用
水泵——利用泵控制功能,在起动和停止时,减速液流冲击所产生的水锤现象;
球机——利用电压斜坡起动,减少齿轮转矩的磨损,减少维修工作,即节省时间又节约开支;
风机——利用软起动器取代传统启动器,减少皮带磨损和机械冲击,节省了维修费用;
压缩机——利用限流,实现平滑起动,减少电动机发热,延长使用寿命;
破碎机——利用堵转保护和快速保护,避免机械故障或阻塞造成电动机过热而烧毁;
传送机械——利用软启动和预置低速运行,实现平滑的起动过程,避免产品移位和液态溢出。
工作原理
该装置是在电动机定子回路串入正反并联的可控硅,通过改变可控硅的导通角实现对电动机的降压启动,可控硅导通角由微处理器智能控制调节。
该装置有三种型号,A型:只含软起动器本体,产品内部不带旁路控制部分,用户需根据电机容量选配适当的元件;B型:带旁路控制部分,降压启动完毕,由固态软起动器发出旁路信号,旁路接触器闭合,主机全压运行,用户购货后可直接接线使用;C型:带旁路控制部分和补偿装置,用于电动机软启动和无功功率就地补偿。降压启动完毕,由固态软起动器发出旁路信号,旁路接触器闭合,主机全压运行,同时在电动机定子侧并入优质自愈式并联电容器,用以实现就地补偿。电机断电后,电容自动切除。电容器内部具有放点元件,能使电容器端子上的剩余电压在3分钟内降至75V以下。
产品特点
-采用高端工业型单片机全数字自动控制,性能可靠稳定;
-起动电流、电压、时间可按负载不同灵活设定,取得最佳的电流曲线和最佳的转矩控制特性;
-对电动机提供了平滑的起动过程以减少起动电流对电网的冲击,降低设备的振动和噪音,延长机械传动系统的使用寿命,改善工人的劳动环境;
-可以自由停车和软停车,软停车时间可调节,既可延长电气触点寿命,又满足不同场合下机械需求;
-对输入电源无相序要求;
-起动、运行、保护及补偿均自动完成,适用范围宽,产品规格全,大大方便了用户;
-自带标准的RS485接口,4-20mA或0-20mA标准模拟电流输出(智能型有此功能);
-产品结构新颖,体积小,性能可靠,操作、使用、维护方便;
-控制单元信号采用光电隔离,具有很强的抗干扰能力,可保证控制系统不受强电干扰。
选型指南
●型号说明

●规格型号
A型
规格型号 | 额定电流(A) | 电机功率#(kW) | 外型参考尺寸(mm) | 安装参考尺寸(mm) | 备注 | ||||
宽(W) | 高(H) | 深(D) | w | d | φ | ||||
MCQ-8-A | ≤18 | 7.5 | 166 | 269 | 120 | 133 | 250 | 7 | |
MCQ-15-A | ≤30 | 15 | 166 | 269 | 120 | 133 | 250 | 7 | |
MCQ-22-A | ≤45 | 22 | 166 | 269 | 120 | 133 | 250 | 7 | |
MCQ-30-A | ≤60 | 30 | 166 | 269 | 120 | 133 | 250 | 7 | |
MCQ-37-A | ≤76 | 37 | 166 | 269 | 120 | 133 | 250 | 7 | |
MCQ-45-A | ≤90 | 45 | 166 | 269 | 120 | 133 | 250 | 7 | |
MCQ-55-A | ≤110 | 55 | 166 | 269 | 125 | 133 | 250 | 7 | |
MCQ-75-A | ≤150 | 75 | 166 | 269 | 125 | 133 | 250 | 7 | |
MCQ-90-A | ≤180 | 90 | 215 | 405 | 202 | 240 | 357 | 9 | |
MCQ-110-A | ≤220 | 110 | 215 | 405 | 202 | 240 | 357 | 9 | |
MCQ-132-A | ≤260 | 132 | 215 | 405 | 202 | 240 | 357 | 9 | |
MCQ-160-A | ≤320 | 160 | 215 | 405 | 202 | 240 | 357 | 9 | |
MCQ-187-A | ≤365 | 187 | 246 | 480 | 215 | 279 | 386 | 9 | |
MCQ-220-A | ≤400 | 200 | 246 | 480 | 215 | 279 | 386 | 9 | |
MCQ-250-A | ≤480 | 250 | 246 | 480 | 215 | 279 | 386 | 9 | |
MCQ-280-A | ≤550 | 280 | 246 | 480 | 215 | 279 | 386 | 9 | |
MC-320-A | ≤620 | 320 | 246 | 480 | 215 | 279 | 386 | 9 | |
MCQ-400-A | ≤720 | 400 | 350 | 550 | 229 | 351 | 481 | 9 | |
MCQ-450-A | ≤850 | 450 | 350 | 550 | 229 | 351 | 481 | 9 | |
MCQ-500-A | ≤1000 | 500 | 350 | 550 | 229 | 351 | 481 | 9 | |
B型
规格型号 | 额定电流(A) | 电机功率#(kW) | 外型参考尺寸(mm) | 安装参考尺寸(mm) | 备注 | ||||
宽(W) | 深(D) | 高(H) | w | d | φ | ||||
MCQ-8-B | ≤18 | 7.5 | 600 | 600 | 1600 | 440 | 560 | 14 | 立式柜,下进下出线 |
MCQ-15-B | ≤30 | 15 | 600 | 600 | 1600 | 440 | 560 | 14 | 立式柜,下进下出线 |
MCQ-22-B | ≤45 | 22 | 600 | 600 | 1600 | 440 | 560 | 14 | 立式柜,下进下出线 |
MCQ-30-B | ≤60 | 30 | 600 | 600 | 1600 | 440 | 560 | 14 | 立式柜,下进下出线 |
MCQ-37-B | ≤76 | 37 | 600 | 600 | 1600 | 440 | 560 | 14 | 立式柜,下进下出线 |
MCQ-45-B | ≤90 | 45 | 600 | 600 | 1600 | 440 | 560 | 14 | 立式柜,下进下出线 |
≤110 | 55 | 600 | 600 | 1600 | 440 | 560 | 14 | 立式柜,下进下出线 | |
MCQ-75-B | ≤150 | 75 | 600 | 600 | 1600 | 440 | 560 | 14 | 立式柜,下进下出线 |
MCQ-90-B | ≤180 | 90 | 600 | 600 | 1800 | 440 | 560 | 14 | 立式柜,下进下出线 |
MCQ-110-B | ≤220 | 110 | 600 | 600 | 1800 | 440 | 560 | 14 | 立式柜,下进下出线 |
MCQ-132-B | ≤260 | 132 | 600 | 600 | 1800 | 440 | 560 | 14 | 立式柜,下进下出线 |
MCQ-160-B | ≤320 | 160 | 600 | 600 | 1800 | 440 | 560 | 14 | 立式柜,下进下出线 |
MCQ-187-B | ≤365 | 187 | 600 | 800 | 2000 | 440 | 760 | 14 | 立式柜,下进下出线 |
MCQ-220-B | ≤400 | 200 | 600 | 800 | 2000 | 440 | 760 | 14 | 立式柜,下进下出线 |
MCQ-250-B | ≤480 | 250 | 600 | 800 | 2000 | 440 | 760 | 14 | 立式柜,下进下出线 |
MCQ-280-B | ≤550 | 280 | 600 | 800 | 2000 | 440 | 760 | 14 | 立式柜,下进下出线 |
MCQ-320-B | ≤620 | 320 | 600 | 800 | 2000 | 440 | 760 | 14 | 立式柜,下进下出线 |
MCQ-400-B | ≤720 | 400 | 800 | 800 | 2200 | 640 | 760 | 14 | 立式柜,下进下出线 |
MCQ-450-B | ≤850 | 450 | 800 | 800 | 2200 | 640 | 760 | 14 | 立式柜,下进下出线 |
MCQ-500-B | ≤1000 | 500 | 800 | 800 | 2200 | 640 | 760 | 14 | 立式柜,下进下出线 |
上述尺寸不含侧板、前后门板、门锁。
说明:
在常规负荷的应用中,如水泵、船头推进器、压缩机、电梯、升降机和短距离皮带传送带等,可以根据电机的额定功率来选择软启动器。
对于重负荷的应用,如离心机、压碎机、研磨机、混合机、搅拌机、长距离输送机和压力机等,建议您选择比电动机额定功率大一个规格的软启动器。
此型号规格里的参数是按电机额定电压AC380V编写,如果电机额定电压为AC660V或其他电压等级,需提前与我公司联系。
性能特点
标准型软起动器主要特点:
多起动方式:限流起动、斜坡起动、斜坡限流起动,最大程度满足现场需求,实现最佳起动效果。
高可靠性:由高性能微处理器对控制系统中的信号进行数字化处理避免了以往模拟线路的过多调整,从而获得极佳的准确性和执行速度。
强大的抗干扰性:控制单元中的信号均采用光电隔离方式,并设置了不同的抗噪级别,避免了主电网上干扰引起的软启动器误动作。
简易的调整方式:控制系统应用范围广,调整简便、直观,通过各种功能选型可匹配各类不同的控制对象。
结构的优化:独特的紧凑结构设计,特别方便用户集成到已有系统中,为用户节约系统改造费用。
齐备的电机保护功能:多种电机保护功能(如电流、输入/输出缺相、晶闸管短路、过热保护等)确保电机及软启动器在故障或误操作时不被损坏。
维护简便:由4位数码显示组成的监控信号编码系统,24小时监控系统设备的工作状况,同时提供快速故障诊断。
智能型软起动器主要特点:
多种启动方式:限流软启动、电压指数曲线、电压线性曲线、电流指数曲线、电流线性曲线,并可在每种方式下施加可编程突跳起动转矩及起动电流限制。根据不同的负载,可以选择相应的起动曲线,达到最佳的起动效果。独特的基础算法使得电机起动、停止更加准确、平滑。
先进的通讯功能:配有RS485通讯接口,方便用户网络链接控制,提高系统的自动化水平及可靠性。内嵌Modbus标准协议,方便组态连接。
模拟信号控制:用户可输入4-20mA或0-20mA标准信号,并可在操作面板是进行模拟量的上、下限设定,实现对电机起、停控制及报警。还可通过软启动器进行数据(压力、温度、流量等)的传输,具有4-20mA或0-20mA标准信号输出功能。
强大的抗干扰性:所有外部控制信号均采用光电隔离,并设置了不同的抗噪级别,适应在复杂的工业环境中使用。
多种停车方式:可编程软停车、自由停车、制动刹车、软停+制动刹车。
电源频率自适应:电源频率50/60Hz自适应功能,方便用户使用。
动态故障记忆:最多可以记录15次故障,便于查找故障原因。
完善的保护功能:全程检测电流及负载参数,具有过流、过载、欠载、过热、断相、短路、三相电流不平衡、相序检测、漏电检测等微机保护功能。
友好的人机界面:采用LCD液晶显示面板,具有中英文两种显示界面,使编程及参数调整更加方便,故障及实时监测更加直观,提高了工作效率。
技术指标
执行标准 | 电控设备 第二部分:装有电子器件的电控设备 GB/T3797-2005 电动机智能软启动节能控制装置 GB/T14048.6-2008 标称电压1KV及以下交流电力系统用自愈式并联电容器 GB 50227-2008;IEC60831-1;2002 |
起动方式 | 斜坡限流、电压斜坡、电流限幅软启动 |
停止方式 | 自由停车、电压斜坡停车方式 |
起动电流 | <3.5Ie(一般工况)现场可调 |
起动次数 | 6~12次/小时 |
防护等级 | IP20、IP30(对防护等级有其他要求时可协商供货) |
使用环境条件
环境温度: | -10℃~40℃ |
相对湿度: | 日平均不超过95%,月平均不超过90%(+20℃) |
海拔高度: | 不超过20000m |
地面倾斜度: | 不超过5° |
安装地点: | 无火灾、爆炸危险、化学腐蚀、导电尘埃及震动小于0.5G的场所 |
控制电源要求: | AC220V±10%,50Hz/60Hz |
三相电源要求: | AC380V(-20%,+15%),50Hz |
供电电源: | 符合国家标准规定,没有较强的谐波分量 |
注:若有特殊使用条件及要求,请在订货时与我公司声明和协商。
设计应用
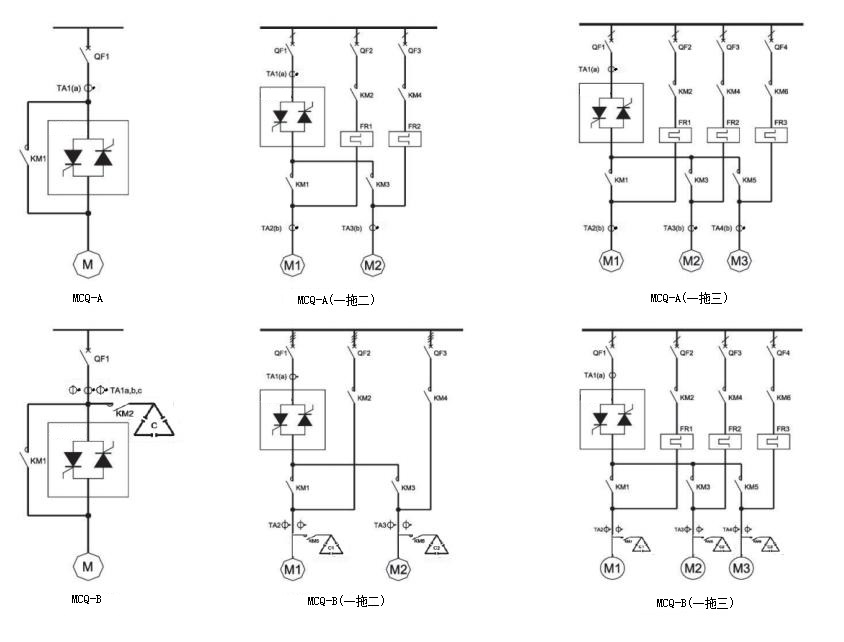
●一次方案

注明:对于MCQ-A型产品,用户根据电机功率参数自行配置器件等;
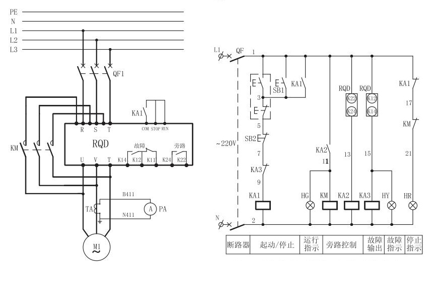
典型二次接口图

●外形尺寸
订货须知
订货时请提供设备名称、型号、数量及下列资料:
-电动机型号、额定功率、额定电压、额定电流、额定功率因数、目标功率因数;
-电动机拖动的负载特性(工况简介):
-高海拔(>2000m)、高寒(<-25℃)、高温(>+40℃)、盐雾严重污染、高湿度地区的客户应事先说明
